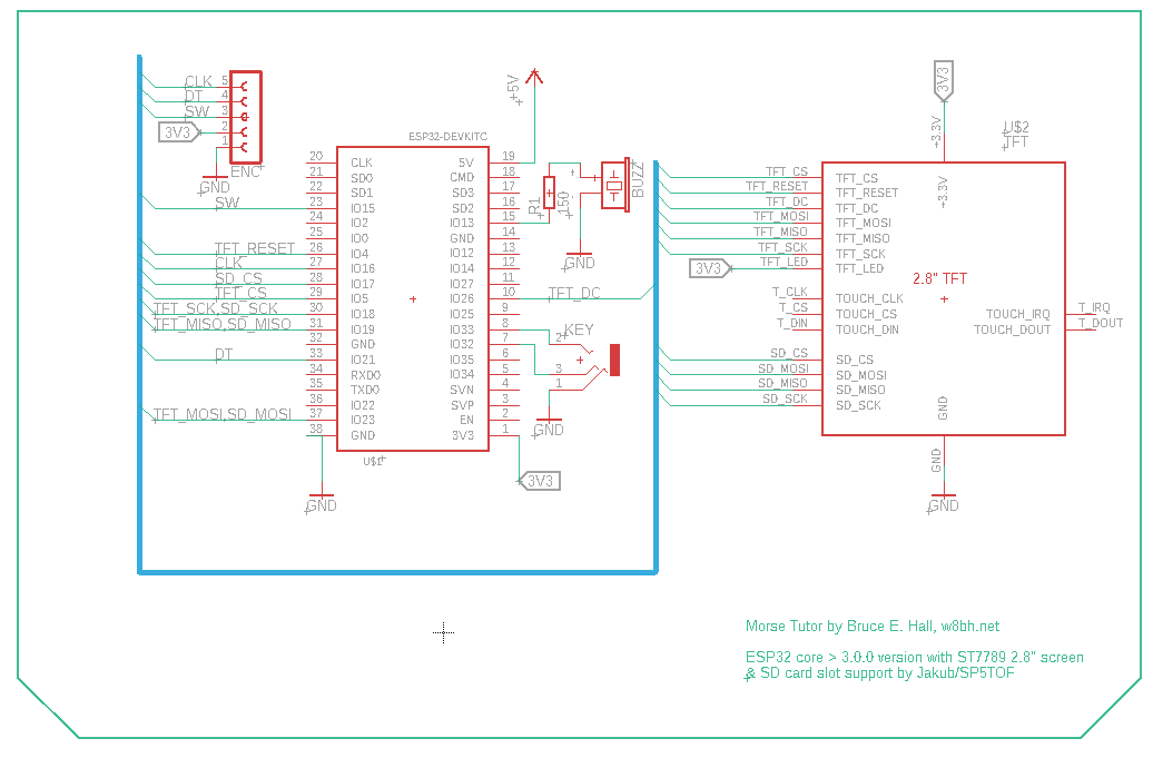
Morse Tutor

This is refreshed project created by Bruce E. Hall, w8bh.net .

This version is compatible with:

  • esp32 core >3.0.0
  • 2,8″ ST7789 screen
  • SD SLOT Card embedded on ST7789

Additional features:

  • I got rid of dit-dat audio amplifier. I used simply buzzer with constant audio level instead of it.

  • screen orientation is rotated to make possible SD card slot to be available easily from the top of case

  • I projected dedicated STL case suited to the display used in this project

  • I prepared Eagle PCB and schematic compatible with ESP32D development board

    Please follow detailed informations related to Arduino-IDE env before taking the programming steps included within source code. Code should be easily compiled with Arduino IDE ver. 2.3.6 (January 2026).

Arduino code, STL case files, Eagle schematic & PCB can be downloaded from Github Account

 

Jakub/SP5TOF